bbabanner.jpg

Active and passive sensitivity analysis for the second-order active RC filter families using operational amplifier: a review

This work is a review article that sheds light on the active and passive sensitivities of the active RC filters based on opamp. This work provides a detailed analysis through different filters realization criteria and sensitivity summary tables and quantitative insight by discussing the most significant. However, some are almost forgotten, filters families in the literature over decades. A detailed mathematical analysis for the passive sensitivity to compare the filters’ realizations is presented. The concept of dealing between filter design theory and filter design circuit realization is

Artificial Intelligence
Circuit Theory and Applications
Mechanical Design

CNTFET-based Approximate Ternary Adder Design

Multiple-Valued Logic (MVL) offers better data representation allowing higher information processing within the same amount of digits. With a trade-off in accuracy, approximate computation is a method to improve the power, size, and speed of digital circuits. This paper presents the design of CNTFET-based ternary half adder, full adder, 2-trit carry ripple adder, and 4trit carry ripple adder with different accuracies. The proposed designs are implemented using HSPICE tool and simulated for power consumption, delay, and error analysis. The trade-off between the transistor count and the

Energy and Water
Circuit Theory and Applications
Software and Communications
Mechanical Design

Fractional Order Systems: An Overview of Mathematics, Design, and Applications for Engineers: Volume 1 in Emerging Methodologies and Applications in Modelling

Fractional Order Systems: An Overview of Mathematics, Design, and Applications for Engineers introduces applications from a design perspective, helping readers plan and design their own applications. The book includes the different techniques employed to design fractional-order systems/devices comprehensively and straightforwardly. Furthermore, mathematics is available in the literature on how to solve fractional-order calculus for system applications. This book introduces the mathematics that has been employed explicitly for fractional-order systems. It will prove an excellent material for

Artificial Intelligence
Circuit Theory and Applications
Mechanical Design

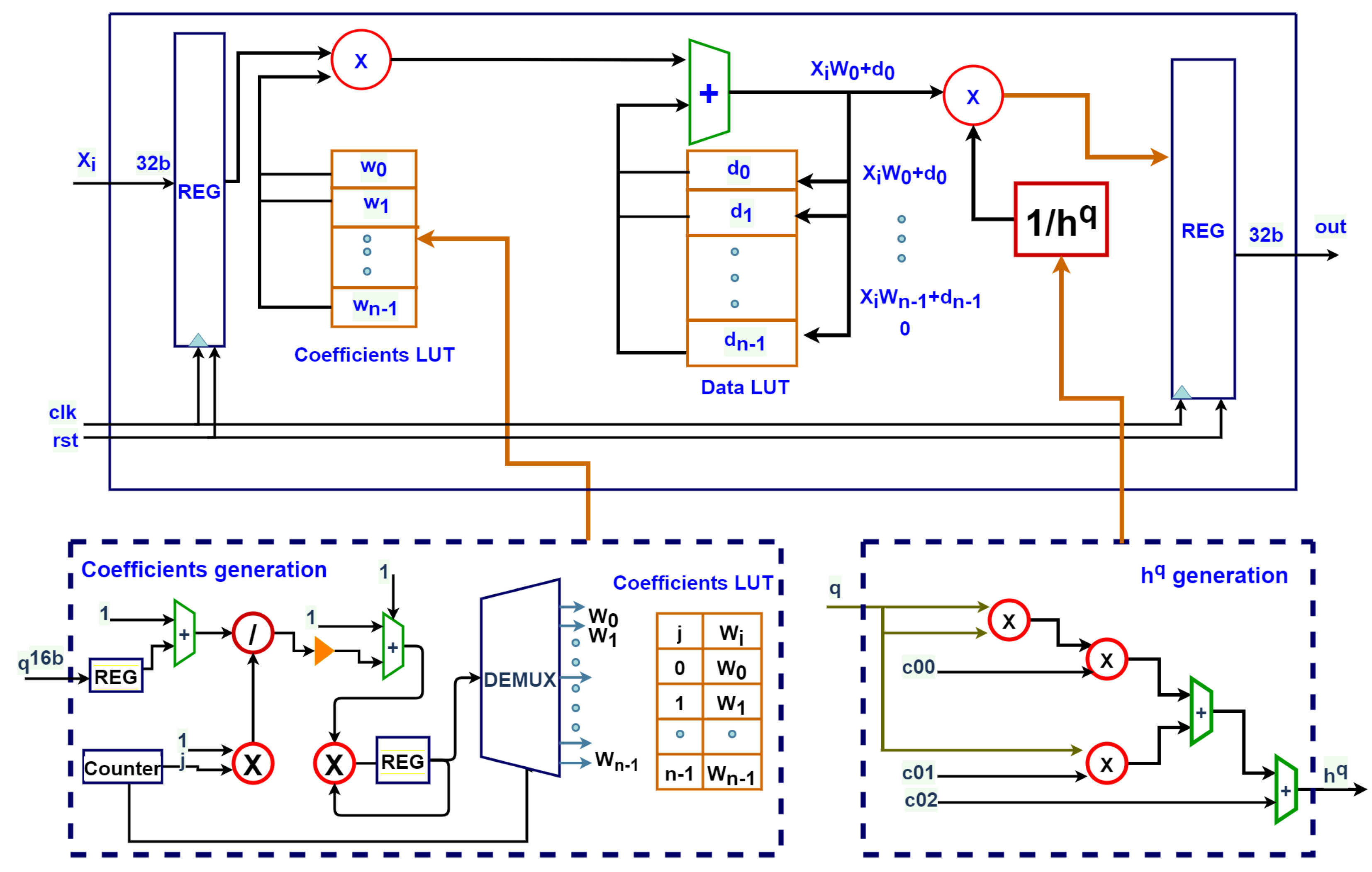
A Unified FPGA Realization for Fractional-Order Integrator and Differentiator

This paper proposes a generic FPGA realization of an IP core for fractional-order integration and differentiation based on the Grünwald–Letnikov approximation. All fractional-order dependent terms are approximated to simpler relations using curve fitting to enable an efficient hardware realization. Compared to previous works, the proposed design introduces enhancements in the fractional-order range covering both integration and differentiation. An error analysis between software and hardware results is presented for sine, triangle and sawtooth signals. The proposed generic design is realized

Healthcare
Circuit Theory and Applications
Software and Communications
Mechanical Design

Chaos-Based Image Encryption Using DNA Manipulation and a Modified Arnold Transform

Digital images, which we store and communicate everyday, may contain confidential information that must not be exposed to others. Numerous researches are interested in encryption, which protects the images from ending up in the hands of unauthorized third parties. This paper proposes an image encryption scheme using chaotic systems, DNA manipulation, and a modified Arnold transform. Both DNA manipulation and hyperchaotic Lorenz system are utilized in the substitution of the images’ pixel values. An additional role of hyperchaotic Lorenz system is that it generates the random numbers required

Artificial Intelligence
Circuit Theory and Applications
Mechanical Design

Ternary SRAM circuit designs with CNTFETs

Static random-access memory (SRAM) is a cornerstone in modern microprocessors architecture, as it has high power consumption, large area, and high complexity. Also, the stability of the data in the SRAM against the noise and the performance under the radian exposure are main concern issues. To overcome these limitations in the quest for higher information density by memory element, the ternary logic system has been investigated, showing promising potential compared with the conventional binary base. Moreover, carbon nanotube field effect transistor (CNTFET) is a new alternative device with

Artificial Intelligence
Energy and Water
Circuit Theory and Applications
Software and Communications
Agriculture and Crops
Mechanical Design

Survey on Two-Port Network-Based Fractional-Order Oscillators

This chapter merges the fractional calculus and two-port networks in oscillator design. The fractional-order elements α and β add extra degrees of freedom that increase the design flexibility and frequency band while providing control over the phase difference. A prototype of the fractional-order two-port network oscillators is introduced. It consists of a general two-port network and three impedances distributed as input, output, and a feedback impedance. Three different two-port network classifications are obtained according to the ground location. This chapter focuses on one of these

Artificial Intelligence
Circuit Theory and Applications
Software and Communications
Mechanical Design

Fractional-Order Modeling of Dynamic Systems with Applications in Optimization, Signal Processing and Control: Volume 2 in Emerging Methodologies and Applications in Modelling

Fractional-order Modelling of Dynamic Systems with Applications in Optimization, Signal Processing and Control introduces applications from a design perspective, helping readers plan and design their own applications. The book includes the different techniques employed to design fractional-order systems/devices comprehensively and straightforwardly. Furthermore, mathematics is available in the literature on how to solve fractional-order calculus for system applications. This book introduces the mathematics that has been employed explicitly for fractional-order systems. It will prove an

Artificial Intelligence
Circuit Theory and Applications
Software and Communications
Mechanical Design

Observability of speed DC motor with self-tuning fuzzy-fractional-order controller

The DC motor is one of the simplest electrical machines used in industry since it is controlled by direct voltages and currents. These configurations have various advantages, allowing the machine to be adapted to the constraints of its specific application. The present chapter analyzes the DC motor with separate excitation without the use of a speed sensor to approximate the rotor speed. An analysis of the stability of the rotor speed estimation is performed. Enhanced control of the direct action is integrated into the adaptive observer to decrease the roundness capability of the model and

Artificial Intelligence
Circuit Theory and Applications
Mechanical Design
Innovation, Entrepreneurship and Competitiveness

An Efficient Multi-Secret Image Sharing System Based on Chinese Remainder Theorem and Its FPGA Realization

Multi-Secret Image Sharing (MSIS) is important in information security when multiple images are shared in an unintelligible form to different participants, where the images can only be recovered using the shares from participants. This paper proposes a simple and efficient ( n,n )-MSIS system for colored images based on XOR and Chinese Remainder Theorem (CRT), where all the n share are required in the recovery. The system improves the security by adding dependency on the input images to be robust against differential attacks, and by using several delay units. It works with even and odd number

Artificial Intelligence
Energy and Water
Circuit Theory and Applications
Software and Communications
Mechanical Design